凯时人生就是搏(中国)官方网站尊龙凯时

应用方案
低压变频器应用方案
行业需求
变频调速已被公认为是最理想、最有发展前途的调速方式之一,选择通用变频器构成变频调速传动系统的主要目的:1、为了满足提高劳动生产率、改善产品质量、提高设备自动化程度、提高生活质量;2、为了节约能源、降低生产成本。
在低压变频器应用领域而言,低压变频器在我国各行各业均已得到应用,常见应用领域如下:1、风机,使用变频调速后,可根据实际需要方便地调节,由于去除了不必要的损耗,同时提高了功率因素,其综合节电率都在30%以上。2、调速机械,用异步电机加变频调速器替代以上这类电机,可大大提高效率,省电,维修量小,安全,可靠,投资回报期短,对提高企业经济效益极为有利。
低压变频器具体应用更广泛,如起重机、传送带、水泵、机床、流水线、中央空调、电梯等。
行业应用方案
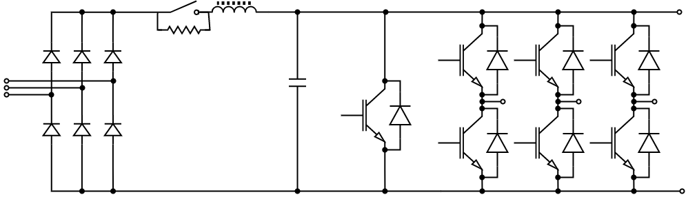
系统拓扑

系统拓扑:图为通用变频器拓扑,其中用到尊龙凯时模块的部件为整流部分、制动部分以及逆变部分。

模块选型推荐
请选择电压

全部电压

1700V

1200V

1000V

750V

650V

600V

请选择电流

全部电流

1400A

1200A

1000A

900A

820A

800A

750A

720A

660A

650A

600A

560A

500A

450A

400A

340A

300A

275A

260A

225A

200A

160A

150A

140A

120A

100A

75A

50A

40A

35A

30A

25A

20A

15A

10A

-

请选择封装

全部封装

C1

C2

C2.1

C3

C3.2

C5

C6

C6.1

C8

C8.1

L2

L3

L4

L6

F1

F6

P2

P3

P6

P7

T2

T6

N4

N5

N6

U1

U3

U5

型号
电压
电流
封装
拓扑
Copyright © 2024 尊龙凯时半导体股份有限公司. All Rights Reserved. 浙ICP备12538065号-1 网站地图
尊龙凯时