凯时人生就是搏(中国)官方网站尊龙凯时

应用方案
电焊机应用方案
行业需求
电焊机中IGBT的控制模式主要是两种,一种是硬开关,另一种是软开关。两者的最大区别是软开关理论上IGBT不存在开关损耗,只有导通损耗。就国内而言,目前硬开关主要是使用脉冲变压器直接实现,软开关绝大部分是使用目前主流的软开关技术。但是部分客户由于设计电路的偏差和器件性能的漂移,原本设计的软开关技术却变成了半软半硬的开关焊机,根据测试结果和实际应用经验,此类焊机更适合使用硬开关的IGBT模块。焊机中IGBT使用的拓扑结构不同又分为全桥焊机和半桥焊机,半桥焊机为硬开关焊机。尊龙凯时模块在焊机中的应用如下(以下推荐默认开关频率20KHz,三相380V供电)。
行业应用方案
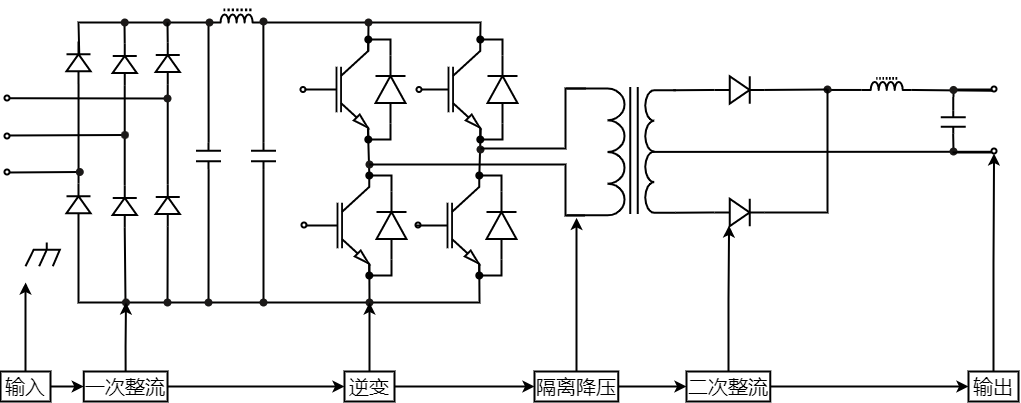
焊机拓扑结构

焊机拓扑结构:如图

模块选型推荐
请选择电压

全部电压

1700V

1200V

1000V

750V

650V

600V

请选择电流

全部电流

1400A

1200A

1000A

900A

820A

800A

750A

720A

660A

650A

600A

560A

500A

450A

400A

340A

300A

275A

260A

225A

200A

160A

150A

140A

120A

100A

75A

50A

40A

35A

30A

25A

20A

15A

10A

-

请选择封装

全部封装

C1

C2

C2.1

C3

C3.2

C5

C6

C6.1

C8

C8.1

L2

L3

L4

L6

F1

F6

P2

P3

P6

P7

T2

T6

N4

N5

N6

U1

U3

U5

型号
电压
电流
封装
拓扑
Copyright © 2025 尊龙凯时半导体股份有限公司. All Rights Reserved. 浙ICP备12538065号-1 网站地图
尊龙凯时