凯时人生就是搏(中国)官方网站尊龙凯时

应用方案
风力发电应用方案
行业需求
风力发电功率变流器是风机系统的核心组件,其可靠性受风机系统的功率波动影响。变流器系统可靠性与各个组件的可靠性有关,很大程度上是归因于其应用的功率器件绝缘栅双极型晶体管IGBT。目前风电变流器主要是采用1700V IGBT模块来实现将变化的不稳定的风能转化为电压、频率稳定的电能并实现并网。
行业应用方案
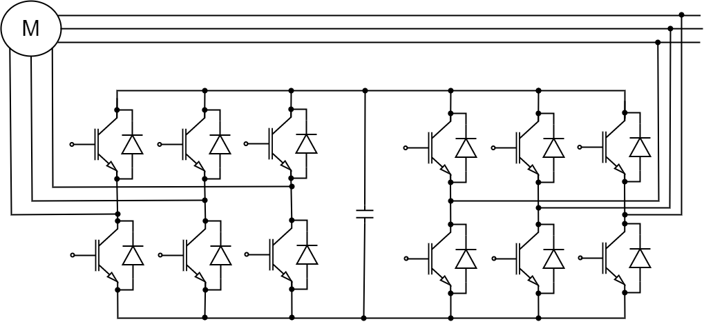
双馈系统 直驱系统

双馈系统:1. 典型功率等级:1.0MW、1.5MW、2MW、2.5MW、3MW; 2. 典型电路拓扑: a) 背靠背双PWM; b) 可选:Crowbar、Chopper; 3. 优势: a) 变流器功率约为风机功率的30%; b) 技术成熟、低成本;

直驱系统:1. 典型功率等级:1.5MW、2MW、2.5MW、5MW; 2. 典型电路拓扑: a) 背靠背双PWM; b) 可选:Crowbar、Chopper; 3. 优势: a) 省去齿轮箱; b) 整机效率高;

模块选型推荐
请选择电压

全部电压

1700V

1200V

1000V

750V

650V

600V

请选择电流

全部电流

1400A

1200A

1000A

900A

820A

800A

750A

720A

660A

650A

600A

560A

500A

450A

400A

340A

300A

275A

260A

225A

200A

160A

150A

140A

120A

100A

75A

50A

40A

35A

30A

25A

20A

15A

10A

-

请选择封装

全部封装

C1

C2

C2.1

C3

C3.2

C5

C6

C6.1

C8

C8.1

L2

L3

L4

L6

F1

F6

P2

P3

P6

P7

T2

T6

N4

N5

N6

U1

U3

U5

型号
电压
电流
封装
拓扑
Copyright © 2024 尊龙凯时半导体股份有限公司. All Rights Reserved. 浙ICP备12538065号-1 网站地图
尊龙凯时