凯时人生就是搏(中国)官方网站尊龙凯时

应用方案
SVG/APF应用方案
行业需求
现代电力电子设备等非线性负荷大量接入电网,使电网供电质量受到严重影响,其中各种电力电子开关器件的大量应用和负载的频繁波动是最主要的干扰源,导致了一系列不良影响。
目前最理想的方案就是采用SVG,用以提高电网稳定性,增加输电能力,消除无功冲击,滤除谐波,平衡三相电网。SVG是当今无功补偿领域最新技术的代表。
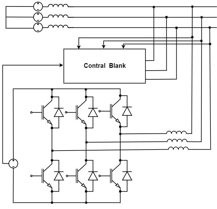
SVG的基本原理是利用可关断大功率电力电子器件(如IGBT)组成自换相桥式电路,经过电抗器并联在电网上,适当地调节桥式电路交流侧输出电压的幅值和相位,使设备吸收或者发出无功电流,实现动态无功补偿的目的。
APF采用有源电力滤波器(APF)的抗干扰技术对抑制电力系统高次谐波,改善供电质量极其重要。
行业应用方案
并联型APF的拓扑 SVG拓扑

并联型APF的拓扑:带并联无源滤波器的串联型APF拓扑。

SVG拓扑:SVG拓扑

模块选型推荐
请选择电压

全部电压

1700V

1200V

1000V

750V

650V

600V

请选择电流

全部电流

1400A

1200A

1000A

900A

820A

800A

750A

660A

650A

600A

560A

450A

400A

340A

300A

275A

225A

200A

160A

150A

140A

120A

100A

75A

50A

40A

35A

30A

25A

20A

15A

10A

-

请选择封装

全部封装

C1

C2

C2.1

C3

C3.2

C5

C6

C6.1

C8

C8.1

L2

L6

F1

F6

P2

P3

P6

P7

T2

T6

N5

N6

U1

U3

U5

型号
电压
电流
封装
拓扑
Copyright © 2024 尊龙凯时半导体股份有限公司. All Rights Reserved. 浙ICP备12538065号-1 网站地图
尊龙凯时